Thanks for visiting!
This project is now in update mode. Check back regularly to see how things are progressing.

UMass NASA Student Launch Team

$4,800
80%
Raised toward our $6,000 Goal
43 Donors
Project has ended
Project ended on February 12, at 12:00 AM EST
Project Owners

PDR Presentation and Subscale Time!

November 20, 2015

Hello Everyone!

We had our Preliminary Design Report Presentation with NASA last night, and it was a blast! We had donuts after to celebrate. For today, we plan to build our subscale rocket so that we can launch it tomorrow afternoon. We've 3D printed our fairings, our shipment of Apogee Rockets components came in today, and of course we made a quick trip to the hardware store! Time to do some sanding, epoxying, painting, aaaaaand some more stuff. Wish us luck! You can check out our donut celebration below. We look good.

 

More cool videos and pictures to follow from tomorrow's launch!

 

~UMass Rocket

image
image

75% of the way to being fully funded. Preliminary design (PDR) is done!

November 07, 2015

After quite a number of late nights, our Preliminary Design Review (PDR) has been submitted and is now on our website. You can find it and other team info at http://www.umassrocket.com/. The PDR will be reviewed by NASA in the next week. Following that, we have a PDR presentation with our NASA reps Thursday, 11/19. They will help us refine our design. Wish us luck!

Next, we have already started the process of getting our subscale launch ready. Lots of testing to be done to ensure our rocket will knock your socks off. It will have a pretty big motor, so it's plausible. In fact, if we put one of your socks on the end of the rocket and we let that thing fly, I could guarantee that the sock would fly off. But I digress...

Anyway, we can't wait to get this thing going! Soon enough, the Critical Design Review (CDR) will be moving forward as well.

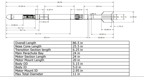
In case you were wondering how big our rocket is this year, here's an image to give you an idea.

Thanks for checking in!

-UMass Rocket

image

50%? WOW! Thank you all!

October 27, 2015

First, we would like to thank you all for your awesome contributions to the project thus far. We have reached 50% of our goal. In the words of Bon Jovi: https://youtu.be/lDK9QqIzhwk?t=92. This is an incredible place to be, given our timeline. Thank you, thank you, and once again thank you! We are so fortunate to have benefactors like you.

As for our project progress, we have a PDR (Preliminary Design Review) due next week! We are working hard at finishing up this part of the project. We're beginning to wrap up our ideas for design and put them on paper. Our CAD (Computer-Aided Design) of the rocket is being made as I write, and we will hopefully have an assembled CAD model by Friday at the latest.

The team held a table at Homecoming at the launch of the Minute Fund. We got to show off last year's rocket. and our smiling faces of course! Our team lead, Pavel, got a little confused as to which team he was on so he started to march with the band. Take a look.

When we wrap up our PDR, we hope to show you what we've written on the umassrocket.com website. In the meantime, keep a look out for us there and tell your friends about us! Who knows, maybe they can help us reach our goal well before the deadline?

 

Best,

UMass Rocket

image
image
Our way
of Thanking You

$25

Countdown to Launch

We wIll give you a facebook shoutout on our UMass Rocket Team Facebook page!

6 of Unlimited Claimed
Estimated Delivery: January 2016

$50

Motor Ignition

We will give you a personally signed picture of our team or of one of our launches!

7 of Unlimited Claimed
Estimated Delivery: January 2016

$100

Blast Off!

We will attach a sticker with your name on it to our NASA competition rocket!

20 of 20 Claimed
Estimated Delivery: April 2016

$250

Low Earth Orbit

We will send you a video of one of our sub scale launches dedicated to you or someone you name!

1 of 4 Claimed
Estimated Delivery: April 2016

$500

Moon Landing

We will give you a shoutout on NASA TV on launch day in Huntsville, Alabama!

3 of 3 Claimed
Estimated Delivery: April 2016

$1,000

Mission to Mars

We will give you a personal tour of our engineering facilities at UMass, and show you our competition rocket! We will also take you to one of our launches with us!

0 of 4 Claimed
Estimated Delivery: April 2016